Pièce de suspension pour série 300 carrée, acier noir, charge maxi 500kg
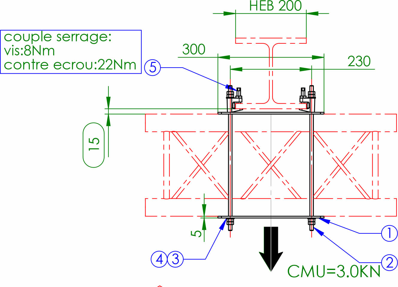
Ensemble d'accroche double pour série 300 carré sur poutre IPN type HEB240, CMU 300kg
Ensemble d'accroche 1côté pour série 300 carré sur poutre IPN type HEB, CMU 150 kg
Ensemble d'accroche double pour série 300 carré sur poutre IPN type HEB180, CMU 300kg
Fixation murale acier pour structure carré ou triangulaire série 300, charge 560kg, déport 0,40m
Support moteur jusqu'à 500kg, à positionner en position haute au dessus de poutre série 400.
Ensemble d'accroche double pour série 300 carré sur poutre IPN type HEB160, CMU 300kg
Cerce monotube Ø 5m, couleur noire, en 6 pièces de 60°
Monotube 1m, forte charge, Ø50mm, alu
Raccord de pieds pour 2 praticables ASD
Nos équipes sont prêtes à répondre à vos besoins et à concrétiser vos projets. Contactez votre agence locale ou laissez-nous un message, nous serons ravis de vous accompagner.